drygear® worm gear BB, installation size 30, asymmetrical

RL-D-30-106-5-010B5 product image
igus-icon-lupe
RL-D-30-106-5-010B5 product image
igus-icon-lupe
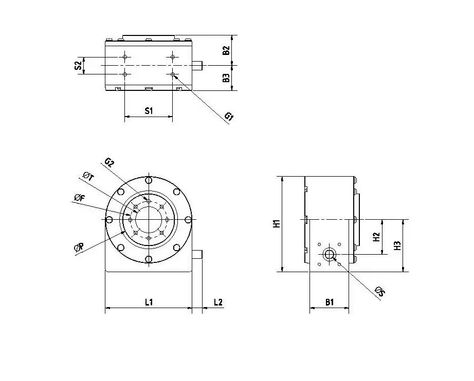
RL-D-30-106-5-010B5 technical drawing
igus-icon-lupe
1 of 3
RL-D-30-106-5-010B5 product image
RL-D-30-106-5-010B5 product image
RL-D-30-106-5-010B5 technical drawing

drygear® worm gear

  • Self-locking drive
  • Available transmissions: 5:1, 50:1, 70:1
  • Ball bearing version for dynamic applications
  • Symmetrical output for vertical installation position
  • Suitable motor kits available
  • Dry operation thanks to tribologically optimised polymers
igus-icon-lieferzeitRL-D-30-106-5-010B5
5:1