igus-icon-lupe
igus-icon-lupe
1 of 2
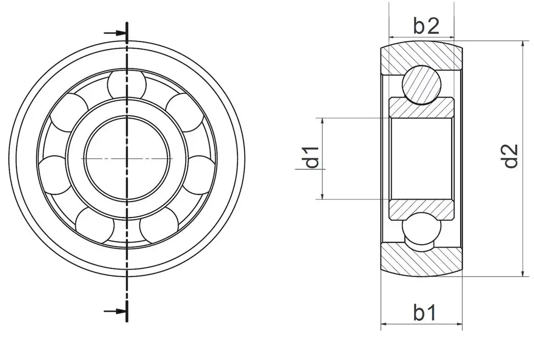
- Inner Ø: 8, 10, 12mm
- Ball bearing with spherical outer race replaces several components
- Different profiles and installation sizes
- Operating temperature: from -40°C up to +80°C
- Ring material: xirodur® B180
- Cage material: PA (polyamide)
- Ball material: Stainless steel
Also available with glass balls
igus-icon-lieferzeit-dotBB-608SO-B180-10-ES
8
8
