Series 340 Classic

Discontinued Model
340.050.075.0 product image
igus-icon-lupe
340.050.075.0 technical drawing
igus-icon-lupe
1 of 2
340.050.075.0 product image
340.050.075.0 technical drawing
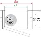
Inner height [Hi]
Inner height [Hi]
45 mm
Max. cable diameter
Max. cable diameter
42 mm
Opening principle
Opening principle
Openable along inner radius
Inner width [Bi]
Inner width [Bi]
50 mm
Bend radius [R]
Bend radius [R]
75 mm