Series 141

Discontinued Model
141.05.135.0.B product image
igus-icon-lupe
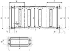
Inner height [Hi]
Inner height [Hi]
56 mm
Max. cable diameter
Max. cable diameter
50 mm
Opening principle
Opening principle
openable from both sides
Inner width [Bi]
Inner width [Bi]
50 mm
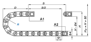
Bend radius [R]
Bend radius [R]
135 mm