Series R98

Discontinued Model
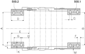
98.07.200.0 product image
igus-icon-lupe
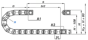
Inner height [Hi]
Inner height [Hi]
80 mm
Max. cable diameter
Max. cable diameter
74 mm
Opening principle
Opening principle
can be opened from both sides, lids can be hinge-opened
Inner width [Bi]
Inner width [Bi]
75 mm
Bend radius [R]
Bend radius [R]
200 mm