AUSLAUFMODELL
Wir empfehlen für Neukonstruktionen die technisch optimierte e-ketten®-Serie R19850 aus dem igus® E4/light-Programm.
+25% mehr freitragende Länge, höhere Stabilität und Zugfestigkeit, gleiche Abmessungen und Anschlussmaße
Serie R198 ist in begrenzter Stückzahl ab Lager lieferbar. Der Produktsupport und die Lagerhaltung werden ab 2012 eingeschränkt. Bei Fragen dazu wenden Sie sich bitte an Ihren igus®-Ansprechpartner. Vielen Dank für Ihr Verständnis
zur E4/light Serie R19850
Serie R198 - Rohr, geschlossen
1.KMA-Anschlußelemente
2.Anschlußelemente starr / pendelnd lieferbar
3.R198: Deckel schwenk- und entnehmbar
4.R198: Böden entnehmbar
5.Rohr und Kette kombinierbar
6.Zugentlastungselemente integrierbar
7.150/151: Stege beidseitig entnehmbar
Lieferbare Innenbreiten Bi: 75 bis 462 mm
Lieferbare Biegeradien R: 200 bis 500 mm
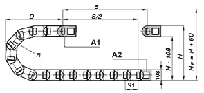
Teilung: 91 mm je Glied = 11 Glieder/m
A=Mitnehmer, B=Festpunkt
Teilung: 91 mm pro Glied
Glieder pro m: 11
Verfahrweg: S
Kettenlänge = S/2 + K
K = Zugschlag für Biegeradius bei der e-ketten Längenberechnung in mm
Hinweis: Kettenlänge für die Kettenglieder wird aufgerundet, da es keine halben Glieder gibt.