После того, как Вы введете почтовый индекс, мы сразу же назовем Вам контактного сотрудника, в соответствии с Вашим запросом.
 
         
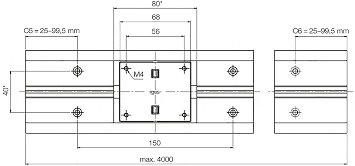
        | Part No. | Max. rail lengths | a | C4 | A3 | C5=C6 | h | h1 | K1* | ly | lz | Rail weight | Price / m | ||
|---|---|---|---|---|---|---|---|---|---|---|---|---|---|---|
| [L max.] | Min. | max. | [mm2] | [mm2] | [g/m] | |||||||||
| NS-01-80 | 4000 | 80 | 150 | 40 | 25 | 99,5 | 11 | 1,5 | M4 | 271200 | 2900 | 1140 | по запросу | |
| NS-01-80-AR | 4000 | 80 | 150 | 0 | 20 | 99,5 | 11 | 1,5 | 27120 | 2900 | 1140 | по запросу | ||
| NS-01-80-UNGEBOHRT | 4000 | 80 | 0 | 0 | 11 | 1,5 | 27120 | 2900 | 1140 | по запросу | ||||
                    For unbored rails please indicate "Unbored" in the remark.
* for cylinder screw with low head
                
| Order no. | Designation | Weight of carriage | ||
|---|---|---|---|---|
| [g] | ||||
| NW-02-80 | Standard carriage | 100 | по запросу | |
| NW-02-80-LLY | Standard carriage, floating bearing y-direction | 100 | по запросу | |
| NW-02-80-LLZ | Standard carriage, floating bearing in z-direction | 100 | по запросу | |
| NW-02-80-LLYZ | Standard carriage, floating bearing y- and z-direction | 100 | по запросу | 
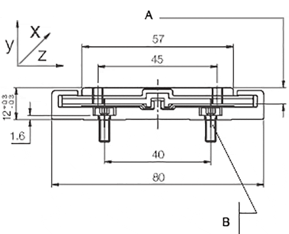
| Part. No. | H | A | C | C1 | C2 | A2 | H2 | K2 | K3 | K4 | Spmin. | DpØmin. | Weight | 
|---|---|---|---|---|---|---|---|---|---|---|---|---|---|
| ±0,35 | [g/m] | ||||||||||||
| NW-02-80 | 12 | 57 | 80 | 68 | 56 | 45 | 0 | M4 | 0 | 0 | 100 | ||
| NW-02-80-LLY | 12 | 57 | 80 | 68 | 56 | 45 | 0 | M4 | 0 | 0 | 100 | ||
| NW-02-80-LLZ | 12 | 57 | 80 | 68 | 56 | 45 | 0 | M4 | 0 | 0 | 100 | ||
| NW-02-80-LLYZ | 12 | 57 | 80 | 68 | 56 | 45 | 0 | M4 | 0 | 0 | 100 | 
| Order no. | Designation | Weight of carriage | ||
|---|---|---|---|---|
|  : | [g] | |||
| NW-12-80 | Moulded carriage | 100 | по запросу | |
| NW-12-80-LLY | Moulded carriage, floating bearing y-direction | 100 | по запросу | |
| NW-12-80-LLZ | Moulded carriage, floating bearing z-direction | 100 | по запросу | |
| NW-12-80-LLYZ | Moulded carriage, floating bearing y and z-direction | 100 | по запросу | 
| Part. No. | H | A | C | C1 | C2 | A2 | H2 | K2 | K3 | K4 | Spmin. | DpØmin. | Weight | 
|---|---|---|---|---|---|---|---|---|---|---|---|---|---|
| ±0,35 | [g/m] | ||||||||||||
| NW-12-80 | 12 | 57 | 83 | 68 | 56 | 45 | 0 | M4 | 0 | 0 | 100 | ||
| NW-12-80-LLY | 12 | 57 | 83 | 68 | 56 | 45 | 0 | M4 | 0 | 0 | 100 | ||
| NW-12-80-LLZ | 12 | 57 | 83 | 68 | 56 | 45 | 0 | M4 | 0 | 0 | 100 | ||
| NW-12-80-LLYZ | 12 | 57 | 83 | 68 | 56 | 45 | 0 | M4 | 0 | 0 | 100 | 
no floating bearing
2Floating bearing in z-direction
3Floating bearing in y-direction
4Floating bearing in yz-direction
 
        Enter the required number of carriages.
 
       
         
        