Выберите место доставки

Выбор страницы страны / региона может влиять на различные факторы, такие как цена, варианты доставки и доступность продукта.
Контактное лицо
Выбрать место

После того, как Вы введете почтовый индекс, мы сразу же назовем Вам контактного сотрудника, в соответствии с Вашим запросом.

UA(RU)

Special properties cross slide

High precision, extreme stiffening and precise alignment through CNC production

Available as standard and preload version

100% lubricant-free and completely corrosion-free

Adjustments by trapezoidal thread TR 10x2

Mounting of upper unit with right or left alignment possible

Available accessories (hand wheel, cursor ...)

Cross slide

SHT-XY - XY table installation sizes

drylin SHT-XY-08-AWM XY table

SHT-XY-08-AWM

  • Max. stroke length: 150mm
  • Carriage length: 65mm
  • Shaft material: aluminium
  • Shaft diameter: 8mm
drylin SHT-XY-12-AWM XY table

SHT-XY-12-AWM

  • Max. stroke length: 350mm
  • Carriage length: 85mm
  • Shaft material: aluminium
  • Shaft diameter: 12mm

With spring pre-load - PL versions

drylin SHT-XY-12-AWM-PL XY table

SHT-XY-12-AWM-PL

  • Max. stroke length: 350mm
  • Carriage length: 85mm
  • Shaft material: aluminium
  • Shaft diameter: 12mm
  • With pre-load
drylin SHT-XY-20-EWM-PL XY table

SHT-XY-20-EWM-PL

  • Max. stroke length: 500mm
  • Carriage length: 130mm
  • Shaft material: stainless steel
  • Shaft diameter: 20mm
  • With pre-load

SHT/SHT-PL - cross slide


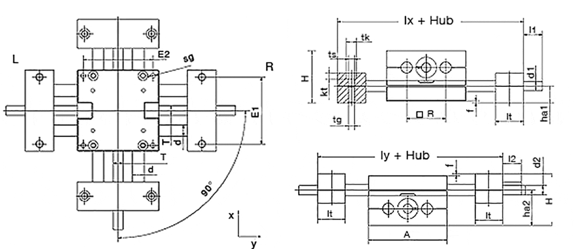
Cross slide lengths and weights [mm]

Order no. A
-0.3
[mm]
H
 
[mm]
E1
±0,15
[mm]
E2
±0,15
[mm]
Base-
length lx
[mm]
Base-
length ly
[mm]
R
 
[mm]
f
 
[mm]
lt
±0,1
[mm]
tk
 
[mm]
ts
 
[mm]
tg
 
kt
 
[mm]
Готово до відправки протягом 10 робочих днів з Німеччини SHT-XY-12 85 56 70 73 145 145 42 2 30 11 6,6 M8 6,4
Готово до відправки протягом 10 робочих днів з Німеччини SHT-XY-08 65 42 52 56 96 96 32 1,5 15,5 10 5,5 M6 7
Готово до відправки протягом 10 робочих днів з Німеччини SHT-XY-12-PL 85 56 70 73 145 145 42 2 30 11 6,6 M8 6,4
Готово до відправки протягом 10 робочих днів з Німеччини SHT-XY-20-EWM-PL 130 86 108 115 202 202 72 2 36 15 9 M10 8,6
Подробная информация о выбранной детали:
3-мерный КАД 3-мерный КАД
Образец заказа Образец заказа
PDF PDF
Запрос цены Запрос цены
myCatalog myCatalog

Cross slide dimensions [mm]

Order no. sg


d

[mm]
T

l1

[mm]
d1
Standard
d1
Alternativ
l2

[mm]
d2
Standard
d2
Alternativ
ha1

[mm]
ha2

[mm]
W
ha2-ha1
[mm]
Готово до відправки протягом 10 робочих днів з Німеччини SHT-XY-12 M6 12 17 TR10x2 6h9 17 6h9 18 38 20
Готово до відправки протягом 10 робочих днів з Німеччини SHT-XY-08 M5 8 TR6x2/TR6,35x2,54 15,5 TR6x2/TR6,35x2,54 5 15 5 13 29 16
Готово до відправки протягом 10 робочих днів з Німеччини SHT-XY-12-PL M6 12 17 TR10x2 6h9 17 6h9 18 38 20
Готово до відправки протягом 10 робочих днів з Німеччини SHT-XY-20-EWM-PL M8 20 26 TR18x4 - 26 12h9 23 63 40
Подробная информация о выбранной детали:
3-мерный КАД 3-мерный КАД
Образец заказа Образец заказа
PDF PDF
Запрос цены Запрос цены
myCatalog myCatalog
You can order the hand wheel of the y-axis to be mounted left or right.
Left: SHT-XY-12-AWM-L-200-300 for 200 mm stroke lengths in x-direction and 300 mm in y-direction.
Right: SHT-XY-12-AWM-R-200-300 for 200 mm stroke lenghts in x-direction und 300 mm in y-direction

Technical options for the SHT series

The following options can be delivered for the SHT-XY product range.


More information and cross slide accessories



Готово до відправки протягом 10 робочих днів з Німеччини

Термины "Apiro", "AutoChain", "CFRIP", "chainflex", "chainge", "цепи для кранов", "ConProtect", "cradle-chain", "CTD", "drygear", "drylin", "dryspin", "dry-tech", "dryway", "easy chain", "e-chain", "e-chain systems", quot;e-ketten", "e-kettensysteme", "e-loop", "energy chain", "energy chain systems", "enjoyneering", "e-skin", "e-spool", "fixflex", "flizz", "i.Cee", "ibow", "igear", "iglidur", "igubal", "igumid", "igus", "igus improves what moves", 73quot;igus:bike", "igusGO", "igutex", "iguverse", "iguversum", "kineKIT", "kopla", "manus", "motion plastics", "motion polymers", "motionary", "plastics for longer life", "print2mold", "Rawbot", "RBTX", "readycable", "readychain", "ReBeL" , "ReCyycle", "reguse", "robolink", "Rohbot", "savfe", "speedigus", "superwise", "take the dryway", "tribofilament", "tribotape", "triflex", "twisterchain", "when it moves, igus improves", "xirodur", "xiros" и "yes" являются юридически защищенными товарными знаками компании igus® SE & Co. KG/Кельн в Федеративной Республике Германия и, если применимо, в некоторых зарубежных странах. Это неполный список торговых марок (например. зарегистрированные товарные знаки) компании igus SE & Co. KG или аффилированных компаний igus в Германии, Европейском Союзе, США и/или других странах или юрисдикциях.

igus® SE & Co. KG заверяет потребителя о том, что не предлагает продукцию компаний Allen Bradley, B&R, Baumüller, Beckhoff, Lahr, Control Techniques, Danaher Motion, ELAU, FAGOR, FANUC, Festo, Heidenhain, Jetter, Lenze, LinMot, LTi DRiVES, Mitsubishi, NUM, Parker, Bosch Rexroth, SEW, Siemens, Stöber и иных производителей электроприводов, которые упоминаются на данном сайте. Предлагаемые изделия под маркой igus® - это изделия производства компании igus® SE & Co. KG